Zero-sequence current transformers LXK are used indoors for networks with isolated neutral with a rated frequency of 50 Hz and a rated voltage of 10 kV.

(0 reviews)

Sold by:
Inhouse product

Price:
ASK Price /pcs

Quantity:
(120 available)

Total Price:
ASK Price
Share:

Product Details:

Introduction

The LXK zero sequence current transformers are used in indoor environment, and provided for non-direct earthed neutral syst ems of rated frequency of
50/60 Hz and rated voltage of 35kV and below. The relay DD-11/60 or DD-1/60 matches with this model. The products meet standards IEC60044-1 and
GB1208-2006. The products are used in metering electric energy, voltage controlling and relay protection applications.

Ambient condition

1. Ambient temperature: -5 ~40 ;
2. relative humidity: 85% or below at 20 ;
3. Altitude: 1000m;
4. Can be mounted in polluted indoor environment.

Model Meaning

LXK  Φ 80( Φ100, Φ140, Φ150, Φ160, Φ180)

LX: Cable Type Zero Sequence Current Transformer

K: Open close type

Φ 80( Φ100, Φ140, Φ150, Φ160, Φ180): Inside Diameter

Technical specification

1. Because the primary main insulation is determined by the cable rather than the product itself, only the insulation level of
secondary winding is tested. The secondary winding can withstand power frequency test voltage to earth of 3kV.
2. The sensitivity of the model of transformers complies with the following table.

lxk cable type zero sequence current transformer

Structure feature

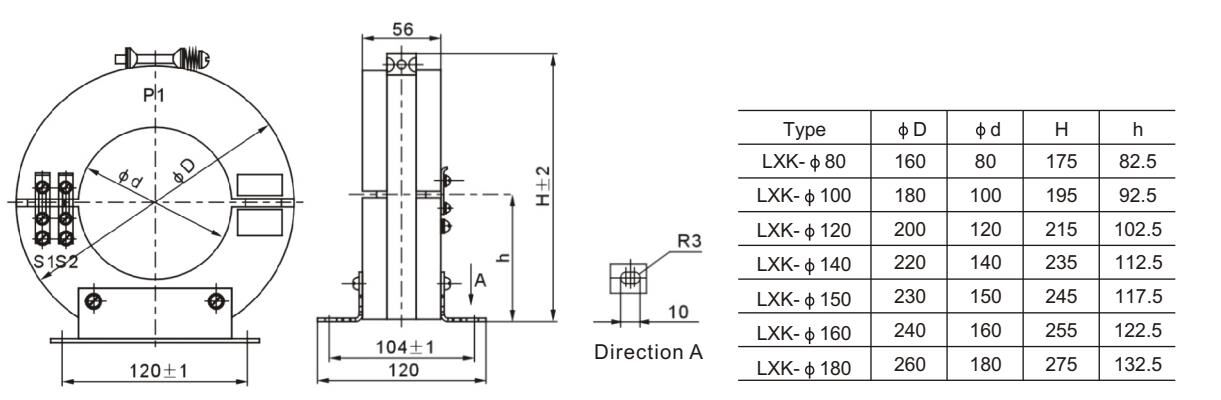
The transformers are of open-close type and cast in epoxy resin. For installation, the transformers can be split in to two halves first, then combined in one set with bolt. It is convenient in installation. There are seven versions of this model, with different inside diameters: 80mm, 120mm, 140mm, 150mm, 160mm and 180mm.

Outline dimension 

lxk cable type zero sequence current transformer

There have been no reviews for this product yet.
Signup For Newsletter
we'll never share your email address with a third-party

Your trusted partner Sellco Bangladesh Ltd.